
BOSCH Rexroth A1VO Serie 10 Axialkolbenpumpe mit verstellbarem Verdränger
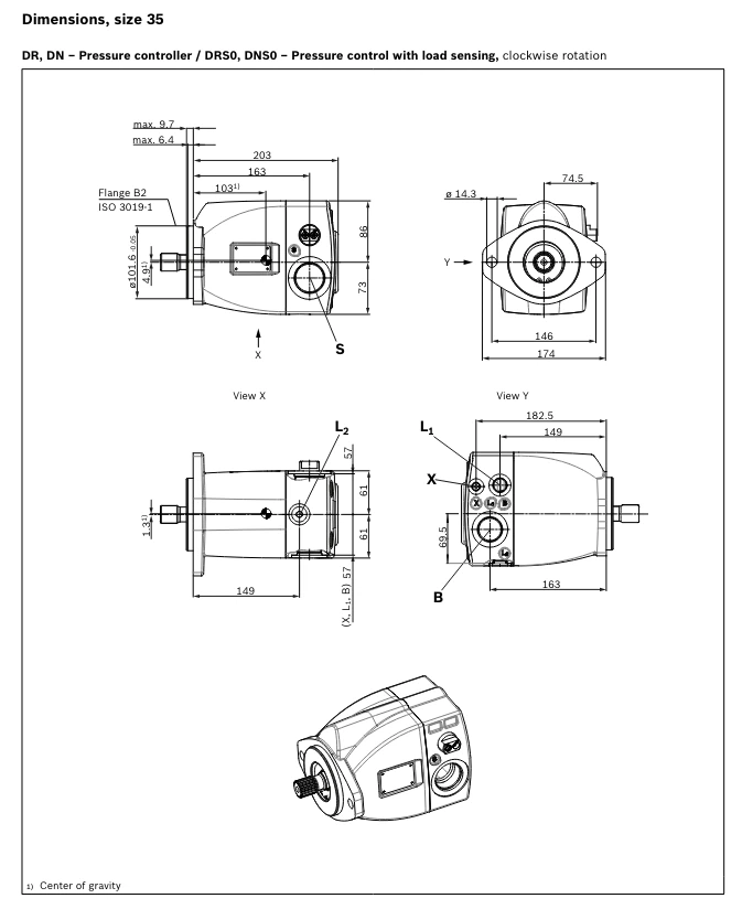
Eigenschaften▶ Verstellpumpe mit Axialkolben-Triebwerk in Schrägscheibenbauweise für hydrostatische Antriebe im offenen Kreislauf▶ Der Volumenstrom ist proportional zur Antriebsdrehzahl und zum Schluckvolumen.▶ Der Volumenstrom kann durch Steuerung des Schrägscheibenwinkels stufenlos variiert werden.▶ Deutliche Kraftstoffeinsparung von bis zu 15 % im Vergleich zu Festsystemen▶ Optimierter Wirkungsgrad bei gleicher Leistung und geringerem Kraftstoffverbrauch▶ Längere Lebensdauer im Vergleich zu Zahnradpumpen▶ Kompakte Bauweise durch integrierte Steuerung▶ Eine große Auswahl an hoch anpassbaren Steuerungsgeräten für alle wichtigen Anwendungen▶ Stufenlose Volumenstromänderung durch Verstellen des Schrägscheibenwinkels▶ Geringe Geräuschentwicklung▶ Hohe Leistungsdichte▶ Hervorragendes Saugverhalten▶ Hohe Flexibilität durch austauschbaren Durchtriebsadapter▶ Für Load-Sensing-Systeme in kleineren Arbeitsmaschinen▶ A1VO Serie 10 Größen A1VO18, A1VO28, A1VO35▶ Nenndruck 250 bar▶ Maximaldruck 280 bar▶ Offener Kreislauf

















