
BOSCH Rexroth Axialkolben-Verstellpumpe A1VO Serie 10 A1VO018 A1VO028 A1VO035
▶ Für Load-Sensing-Systeme in kleineren Arbeitsmaschinen▶ Größen 18, 28, 35▶ Nenndruck 250 bar▶ Maximaldruck 280 bar▶ Offener Kreislauf

Nenndruck pnom 250 bar absolut Der Nenndruck entspricht dem maximalen Auslegungsdruck. Maximaldruck pmax 280 bar absolut Der Maximaldruck entspricht dem maximalen Arbeitsdruck innerhalb der einzelnen Betriebsperiode. Die Summe der einzelnen Betriebsperioden darf die Gesamtbetriebsperiode nicht überschreiten (maximale Zyklenzahl: ca. 1 Million). Einzelbetriebsdauer 0,05 s Gesamtbetriebsdauer 14 h Mindestdruck pB abs (Hochdruckseite) 14 bar1) absolut Mindestdruck auf der Hochdruckseite (B), der erforderlich ist, um Schäden an der Axialkolbeneinheit zu vermeiden. Druckänderungsgeschwindigkeit RA max 16000 bar/s Maximal zulässige Geschwindigkeit des Druckaufbaus und -abbaus bei einer Druckänderung über den gesamten Druckbereich.
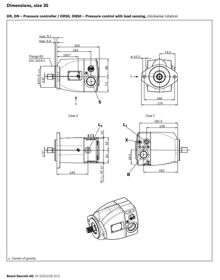
Technische Daten Größe: 35 cm³ Nenndruck: 250 bar Maximaldruck: 280 bar Drehzahl: 3,000 min-1 Durchtriebe: Der universelle Durchtrieb ermöglicht einen einfachen Wechsel des Durchtriebstyps ohne Austausch des Teils Anzahl Hydraulikanschlüsse: Erhältlich mit Zollgewinde. Montageflansch: SAE-B Wellen: 1" 15T
| BOSCH Rexroth Axialkolben-Verstellpumpe A1VO Serie 10 A1VO018 A1VO028 A1VO035 |





|
|

Beliebte label: Bosch Rexroth Axialkolben-Verstellpumpe A1vo Serie 10 A1vo018 A1vo028 A1vo035









